
| Calculate min. Gain | Calculate Loading | Resistor tuning |
|
Resistor tuning is a way to modify (to lower) the
reflected load
impedance directly
linked to the gain of your step-up transformer.
You can lower the load impedance by adding a resistor between the + and the - of the RCA plug (out of the step-up). Suppose you have a 1:10 gain step-up. Your actual load impedance is 470 ohms (natural impedance). You would like to test a load impedance of 100 ohms. By adding a resistor, you're modifying the impedance of the Moving Magnet input (actually equal to 47 000 ohms - standard). To have a load impedance of 100 ohms, you need to have an Moving Magnet input impedance of 10000 ohms Rload = 1/(1/10000-1/47000) = 12.7 kOhms |
|
|||||||||||||||||||||
Example:You have a Moving Coil Cartride with 0.5 mV output and you would like to obtain 5 mV in your Moving Magnet Phono Amplifier input, so you need a 1:10 transformer. You would like to have a load impedance of 40 ohms. With a gain of 1:10 ( 20dB ), you need an impedance of 4000 ohms on yor Phono Amplifier input ( Transformer Ratio^2 * Desired Loading = 10^2 * 40) The resistor must have a value equal to: Rload = 1 / (1 / Desired Loading - 1 / Phonostage) Rload = 1/(1/4000 - 1/47000) = 4372 ohms |
Enter Rload to calculate the two required resistors values you need. | |||||||
| Rload = | Resistor value you are looking for | ||||||
| Found : | Ω | parallel | Ω | = | Ω, | Error = | % |
|
|
|||||||
What types of audio transformers exist?There are two basic types of audio transformers with each having multiple functions:
and |
Step-up / Step-down transformerIn a step-up / step-down transformer, the primary and secondary have a different number of windings, thus they have different impedances. Different impedances cause the signal level to change as it goes through the transformer. If the secondary has a higher impedance (more windings) than the primary, the signal level at the secondary will be a higher voltage than at the primary. A transformer with multiple taps provides access to multiple impedances and to different signal gains or losses. Unity 1:1 transformerOften called an isolation transformer, it has the same number of windings on each coil. As the impedance is identical for the primary and secondary, the signal level does not change. A unity transformer allows an audio signal to pass unmodified from the primary to the secondary while blocking DC voltage and radio frequency interference (RFI). Also, since the primary and secondary are insulated from each other, a unity transformer will electrically isolate different pieces of equipment. This can solve hum problems by isolating ("lifting") the grounds of different devices. Moving Coil CartridgesThe characteristics you should take care of for this kind of cartridge to be correctly exploited by your system are:
At the same time, the step-up transformer adapts the impedance of the signal produced by the MC cartridge to an impedance that can be "seen" by your Moving Magnet input. For this reason, check the compatibility of your MC / step-up combo. Most of the time, if the sound isn't good it's because of a compatibility problem. If a step-up has a gain of 1:10, this means that the output of the cartridge will be multiplied by 10. If the output out of the cartridge is 0.3 mV, you'll have, after the step-up, 3 mV, perfect for a Moving Magnet input. The Moving Magnet input has its own impedance generally equal to 47 Kohms. The signal emitted by the MC cartridge must be in accordance to that 47 Kohms. A step-up modifies the impedance of the output by a factor equal to the square of the amplification ratio. This is known as "natural impedance". A step-up with an amplification ratio of 10 has a natural impedance and load impedance of 470 ohms (if your Moving Magnet input impedance is 47 kohms: 470 = 47000/102). |
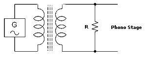
![]() For one channel, there are two coils: a primary (the 'input': for the signal emitted by the cartridge) and a secondary (the 'ouput': the amplified signal will go out to your Moving Magnet amplifier stage). You will see that there are less turns on the secondary than on the primary. This is not a strange idea from the designer of this scheme. Your amplification ratio is a direct result of the turns ratio (primary/secondary). This explains why, on a step-up that can be used with several internal impedances cartridges, the gain differs according to the internal impedance you're selecting. ![]() |
| Where: | N1:/td> | number of turns of the primary coil |
| N2: | number of turns of the secondary coil | |
| V1: | input voltage of the step-up | |
| V2: | output voltage of the step-up | |
| x: | amplification ratio/td> | |
| and | Z2/Z1 = N22/N12 = x2 | |
| Where: | Z1: | impedance of the primary coil |
| Z2: | impedance of the secondary coil | |
| R: | phonostage load | |
|
Another important point:
the grounding of the step-up. If you're having grounding problems, or shielding problems, you'll probably have "hum". |
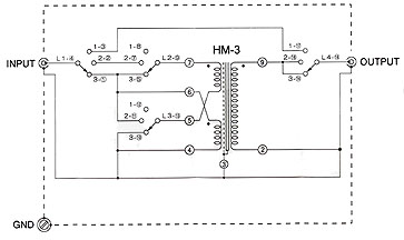
Which Step-Up Transformer for my cartridge?If you're looking for a step-up you can buy second hand step-up transformers, brand new or build them yourself using parts from manufacturers like Sowter , Lundhal, Hashimoto, Amplino, Jensen |
|
|
| Cartridge
loading by Jim Hagerman |
| Jensen provides a lot of
information |
| Sowter provides help to choose the correct
product you need
for your cartridge |
| Lundahl
Transformers |
| K&K Audio specialist in
Lundhal
transformers |
| SACThailand SILK Supermalloy MC-step up transformer |