
The passive RIAA Phono Equalizer is an appealing circuit from an audiophile perspective
for 2 main reasons.
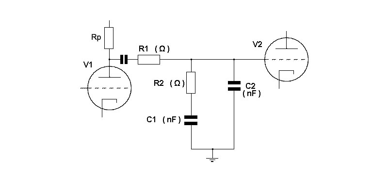
The only concerns are to be sure that the driving tube V1 has a low enough output impedance relative to R1 and that the following tube V2 has an input impedance of at least 50 times R1 to prevent loading. You can enter data for R1 and for the 3 frequency settings. Those frequencies represent corner frequencies of the 3 stages of the RIAA curve, the low end, the mid and the treble. If you have a different curve you would like to equalize, input the frequencies of interest and the calculator will give you the component values. |
| > Frequency Hz | > Attenuation in dB | > Frequency Hz | > Attenuation in dB | |
| 10 | 19.74 | 1000 |
0 |
|
| 20 | 19.27 | 1200 |
-0.61 |
|
| 30 | 18.59 | 1500 |
-1.4 |
|
| 40 | 17.79 | 1800 |
-2.12 |
|
| 50 | 16.95 | 2000 |
-2.59 |
|
| 60 | 16.1 | 3000 |
-4.74 |
|
| 80 | 14.51 | 4000 |
-6.61 |
|
| 100 | 13.09 | 5000 |
-8.21 |
|
| 120 | 11.85 | 6000 |
-9.6 |
|
| 150 | 10.27 | 8000 |
-11.89 |
|
| 180 | 8.97 | 10000 |
-13.73 |
|
| 200 | 8.22 | 12000 |
-15.26 |
|
| 300 | 5.48 | 15000 |
-17.16 |
|
| 400 | 3.78 | 18000 |
-18.72 |
|
| 500 | 2.65 | 20000 |
-19.62 |
|
| 600 | 1.84 | 30000 |
-23.12 |
|
| 800 | 0.75 |
40000 |
-25.6 |